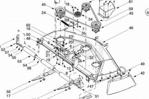
Components essential for maintaining and repairing specific mowing equipment are the subject of this discussion. These components facilitate the functionality of machines designed to create a manicured appearance on lawns and fields. An example would be blades, belts, spindles, and bearings used to keep a particular brand’s mowing deck operating effectively.
Proper maintenance and timely replacement of these elements are critical for optimal performance, extending the lifespan of the machinery and ensuring a quality cut. Availability of these items allows for cost-effective repairs, preventing the need for complete equipment replacement. Historically, access to such parts has enabled farmers and groundskeepers to manage large areas efficiently.
The following sections will delve into specific aspects related to sourcing, selecting, and utilizing these necessary components. This includes understanding compatibility, installation procedures, and preventative maintenance practices to maximize the efficiency and longevity of the mowing equipment.
Essential Guidance for Component Management
This section outlines crucial considerations for ensuring the proper upkeep and utilization of replacement components within a specified mowing system.
Tip 1: Verify Compatibility: Prior to procurement, confirm that the replacement component is explicitly designated for use with the identified mowing equipment model. Consult the manufacturer’s specifications or parts catalog to avoid incompatibility issues.
Tip 2: Inspect Upon Arrival: Upon receiving the component, meticulously examine it for any signs of damage incurred during shipping or handling. Report any discrepancies or defects immediately to the supplier.
Tip 3: Adhere to Installation Guidelines: Strictly follow the manufacturer’s recommended installation procedures. Improper installation can compromise the component’s functionality and potentially damage other system elements.
Tip 4: Implement Regular Maintenance: Establish a routine maintenance schedule that includes inspection, lubrication, and cleaning of relevant components. This proactive approach can significantly extend the component’s operational life.
Tip 5: Utilize Genuine Replacements: Whenever feasible, opt for genuine or OEM (Original Equipment Manufacturer) replacements. These components are engineered to meet the precise specifications of the original equipment, ensuring optimal performance and reliability.
Tip 6: Document Replacements: Maintain a detailed record of all component replacements, including dates, part numbers, and any relevant observations. This documentation can be invaluable for future maintenance and troubleshooting efforts.
Tip 7: Torque Specifications: When installing components requiring bolted connections, adhere strictly to the manufacturer’s specified torque values. Over- or under-tightening can lead to premature failure.
Implementing these practices will enhance the operational effectiveness of the mowing equipment and minimize the risk of costly repairs or downtime.
The subsequent section will explore troubleshooting common issues and address frequently asked questions concerning the selected components.
1. Compatibility Verification
The successful operation of specific mowing equipment relies heavily on the correct matching of replacement components. Compatibility verification, therefore, is not merely a precautionary measure, but a fundamental prerequisite for ensuring the functionality and longevity of those mowing units. The use of inappropriately sized or specified components can lead to immediate operational failure or, more insidiously, to accelerated wear and damage to other parts of the system.
For example, installing an incorrect belt size can result in slippage, inefficient power transfer, and eventual belt failure. Similarly, using blades not designed for the specific mower deck can lead to uneven cutting, increased vibration, and potential damage to the spindle assembly. Furthermore, the incorporation of counterfeit parts, often marketed as compatible, poses a significant risk due to variances in material composition and manufacturing tolerances. These deviations can compromise structural integrity and lead to premature component failure, creating potentially hazardous situations.
In summary, meticulous compatibility verification is an indispensable aspect of maintaining the specified mowing equipment. It involves consulting the manufacturer’s parts catalog, cross-referencing part numbers, and, when necessary, seeking expert advice to ensure the selected replacement is explicitly designated for the equipment. This proactive approach minimizes the risk of operational disruptions, prevents costly repairs, and safeguards the overall performance of the mowing system. The consequence of neglecting compatibility verification is not merely inconvenience; it can result in significant financial losses and compromised equipment safety.
2. OEM Specification Adherence
Original Equipment Manufacturer (OEM) specification adherence is paramount when sourcing components for specific mowing equipment. Deviation from these specifications can compromise performance, longevity, and safety, resulting in potential operational inefficiencies and increased maintenance costs.
- Dimensional Precision
OEM specifications dictate precise dimensional tolerances for components. Blades, for example, must adhere to specific length, width, and thickness parameters to ensure proper balance and cutting performance. Deviation from these dimensions can lead to vibration, uneven cutting, and premature wear of the spindle assembly.
- Material Composition
OEM specifications define the types and grades of materials used in component manufacturing. Blades may require specific steel alloys to achieve the necessary hardness and impact resistance. Using components made from substandard materials can result in premature wear, bending, or breakage, posing a safety risk and reducing operational efficiency.
- Performance Characteristics
OEM specifications outline the required performance characteristics of components. Belts, for instance, must possess specific tensile strength and elasticity to efficiently transfer power from the engine to the cutting deck. Using belts with inferior performance characteristics can result in slippage, reduced cutting power, and premature belt failure.
- Quality Control Standards
OEM specifications enforce rigorous quality control standards throughout the manufacturing process. These standards ensure consistent component quality and reliability. Sourcing components from unverified sources can expose equipment to parts lacking proper quality control, increasing the risk of premature failure and potential damage to other system components.
Adhering to OEM specifications when obtaining components ensures optimal performance, extended lifespan, and enhanced safety. Utilizing components that do not meet these standards increases the likelihood of operational issues and costly repairs, ultimately diminishing the value and effectiveness of the equipment.
3. Inventory Management
Effective inventory management is crucial for maintaining the operational readiness of mowing equipment. This entails a systematic approach to procuring, storing, and dispensing the necessary components to minimize downtime and optimize repair efficiency. Efficient parts availability directly impacts the ability to service and maintain these specialized mowing units, influencing overall operational effectiveness.
- Demand Forecasting and Stock Levels
Accurate demand forecasting is essential for determining appropriate stock levels. Historical data on part usage, equipment maintenance schedules, and seasonal mowing demands inform proactive procurement strategies. Maintaining adequate stock prevents delays during critical repair situations, ensuring continued operation. Insufficient stock leads to prolonged downtime while overstocking ties up capital and increases the risk of obsolescence. Examples include predicting higher demand for blades and belts during peak mowing seasons, requiring increased stock levels of these frequently replaced parts.
- Storage and Organization
Proper storage and organization within the inventory system are crucial for efficient retrieval and preservation of components. Parts should be stored in a designated area, categorized by type and part number, and protected from environmental factors such as moisture and extreme temperatures that could cause damage. A well-organized system reduces search time, minimizes errors in part selection, and helps prevent damage or loss of components. Utilizing shelving, bins, and labeling systems facilitates easy identification and access to required items.
- Procurement and Supplier Relations
Establishing strong relationships with reliable suppliers is fundamental for ensuring a consistent supply of quality components. Negotiating favorable pricing and delivery terms can reduce procurement costs and minimize lead times. Evaluating supplier performance based on factors such as product quality, delivery reliability, and customer support ensures a stable supply chain. Having multiple suppliers can mitigate the risk of disruption due to unforeseen circumstances. Maintaining open communication with suppliers about demand forecasts helps them anticipate needs and maintain adequate stock levels.
- Inventory Tracking and Control
Implementing an inventory tracking system is essential for monitoring stock levels, tracking part usage, and identifying potential shortages or overages. Utilizing barcode scanning or RFID technology can improve accuracy and efficiency in inventory management. Regularly conducting physical inventory counts verifies the accuracy of the tracking system. Analyzing inventory data can identify slow-moving or obsolete parts, allowing for adjustments in procurement strategies. A robust inventory tracking system provides valuable insights for optimizing inventory levels and reducing carrying costs.
These facets of inventory management, when meticulously applied, directly contribute to minimizing downtime and maximizing the operational lifespan of specialized mowing equipment. Proactive management of parts availability enables timely repairs and maintenance, ensuring the continued effectiveness of the equipment in its intended application. Without effective inventory management, organizations face increased operational costs, potential delays in service delivery, and a reduced return on investment in their equipment.
4. Timely Replacement
The performance and longevity of mowing equipment are intrinsically linked to the timely replacement of worn or damaged components. Delaying the replacement of parts, such as blades, belts, bearings, or spindles, on a finish mower can lead to a cascade of negative consequences. These range from diminished cutting quality and increased fuel consumption to potential damage to other, more costly components within the mowing system. For instance, a worn belt may slip, causing inefficient power transfer and potentially overheating the engine. Similarly, dull or damaged blades can tear grass instead of cutting it cleanly, increasing the risk of disease and creating an uneven finish. Ignoring these issues not only compromises the quality of the mowing operation but also accelerates the wear and tear on the machine as a whole.
Regular inspection and adherence to a preventative maintenance schedule are crucial for identifying parts that require replacement. Manufacturers typically provide guidelines on the expected lifespan of various components, based on operating hours and environmental conditions. However, these guidelines should be considered a starting point, and actual replacement intervals may need to be adjusted based on individual operating conditions and the severity of use. An example includes inspecting blades more frequently in areas with sandy soil, which accelerates abrasive wear. Proactive replacement of components, before they fail completely, minimizes the risk of unexpected breakdowns and reduces the likelihood of more extensive and costly repairs. Effective scheduling during off-peak seasons reduces downtime and ensures the mower is in optimal condition when needed.
In summary, timely replacement of components is not merely a maintenance task but a critical investment in the long-term performance and reliability of mowing equipment. Neglecting this aspect of maintenance can lead to diminished cutting quality, increased operating costs, and potential damage to the mowing system. By prioritizing regular inspection, adhering to recommended replacement intervals, and utilizing genuine parts, operators can maximize the lifespan of their equipment and ensure consistent, high-quality results. Adherence to this practice contributes directly to the overall efficiency and cost-effectiveness of mowing operations.
5. Durable Materials
The longevity and operational effectiveness of mowing equipment are significantly influenced by the quality and resilience of the materials used in its construction. Specifically, for mowing equipment, the selection of durable materials is not merely a cost consideration but a pivotal factor determining the machine’s ability to withstand the demanding conditions of regular use. Components such as blades, spindles, belts, and housings are subjected to constant stress, impact, and exposure to abrasive elements, necessitating the use of robust materials designed to resist wear, corrosion, and deformation. Inferior materials lead to premature failure, increased downtime, and higher overall maintenance costs.
For example, mower blades crafted from high-carbon steel alloys exhibit enhanced strength and edge retention compared to blades made from lower-grade steel. Similarly, spindle housings constructed from cast iron or reinforced polymers provide greater resistance to impact and vibration, protecting internal components from damage. Drive belts composed of reinforced rubber compounds offer superior tensile strength and resistance to stretching, ensuring consistent power transfer and minimizing slippage. Furthermore, corrosion-resistant coatings applied to metal parts mitigate the effects of moisture and chemicals, extending the lifespan of the equipment. This focus on material science translates directly to a more reliable and efficient mowing operation, reducing the frequency of repairs and minimizing disruptions to planned work schedules.
In summary, the strategic selection of durable materials constitutes a cornerstone of ensuring the extended lifespan and consistent performance of mowing equipment. Prioritizing quality materials translates to reduced maintenance, increased operational efficiency, and a lower total cost of ownership. While initial investment in durable components may be higher, the long-term benefits in terms of reliability and reduced downtime far outweigh the initial expense, highlighting the practical significance of material quality in this application. Without this consideration, even the most advanced mowing designs are ultimately limited by the vulnerability of their constituent materials.
6. Functional Performance
The operational effectiveness of mowing equipment is directly contingent upon the functional performance of its constituent parts. The design, materials, and condition of these components collectively determine the machine’s ability to achieve its intended purpose: providing a uniform and aesthetically pleasing cut. Compromises in the quality or integrity of any part can directly impact the overall mowing outcome. The link between parts and effectiveness is critical.
- Blade Sharpness and Balance
Blade sharpness directly impacts the quality of the cut. Dull blades tear grass instead of cleanly slicing it, resulting in a ragged appearance and increasing the risk of disease. Balanced blades minimize vibration, reducing stress on the spindle and bearings, and contributing to a smoother, more efficient cut. Example: Regular blade sharpening and balancing are crucial for achieving optimal performance and prolonging the life of the mowing deck.
- Belt Tension and Condition
Proper belt tension is essential for efficient power transfer from the engine to the cutting deck. A loose belt will slip, reducing cutting power and potentially overheating. A worn or damaged belt can break, causing complete loss of function. Example: Regular inspection and adjustment of belt tension, along with timely replacement of worn belts, ensures consistent cutting performance and prevents unexpected breakdowns.
- Spindle Bearing Integrity
Spindle bearings support the rotating blades and must operate smoothly and reliably under demanding conditions. Worn or damaged bearings can cause vibration, noise, and ultimately, spindle failure. Example: Regular lubrication of spindle bearings, along with prompt replacement of worn bearings, ensures smooth operation and prevents costly damage to the spindle assembly.
- Deck Leveling and Condition
A level mowing deck is critical for achieving a uniform cut height across the entire mowing area. A damaged or uneven deck can result in scalping or uneven cutting, compromising the appearance of the lawn. Example: Regular inspection and adjustment of the mowing deck, along with prompt repair of any damage, ensures consistent cutting height and prevents uneven results.
These facets of functional performance are interdependent and collectively contribute to the overall mowing quality. Neglecting any one aspect can compromise the entire mowing operation. Maintaining components in optimal condition through regular inspection, preventative maintenance, and timely replacement ensures reliable and consistent operation. A holistic approach to part management is essential for achieving the desired results.
Frequently Asked Questions
The following section addresses common inquiries regarding components for specific mowing equipment. These questions aim to clarify operational aspects, maintenance protocols, and procurement considerations.
Question 1: What constitutes a “genuine” replacement component, and why is its use recommended?
A genuine replacement component is one manufactured by the original equipment manufacturer (OEM) or a licensed supplier, adhering to the original design specifications. Utilizing such components is recommended due to their guaranteed compatibility, performance, and adherence to quality control standards, minimizing the risk of operational issues and potential damage to other system elements.
Question 2: How frequently should mowing blades be sharpened, and what factors influence this interval?
Mowing blade sharpening frequency depends on several factors, including grass type, soil conditions, and usage intensity. As a general guideline, blades should be sharpened after every 25 hours of operation or whenever signs of dullness or damage are observed. Abrasive soils or frequent contact with obstacles can necessitate more frequent sharpening.
Question 3: What are the key indicators of a failing spindle bearing, and what steps should be taken upon detection?
Key indicators of a failing spindle bearing include unusual noises (e.g., grinding, squealing), excessive vibration, and play in the spindle. Upon detection, the equipment should be immediately shut down, and the bearing inspected. Replacement of the bearing is generally recommended to prevent further damage to the spindle assembly.
Question 4: How does incorrect belt tension affect mowing equipment performance, and what is the proper adjustment procedure?
Incorrect belt tension can lead to slippage (if too loose) or excessive wear on the belt and bearings (if too tight). The proper adjustment procedure involves consulting the equipment’s service manual and using a tension gauge to achieve the specified tension value. Regularly check to ensure the correct tension to avoid inefficiencies and damage.
Question 5: What is the recommended storage procedure for mowing equipment during the off-season to prevent component degradation?
The recommended storage procedure involves thoroughly cleaning the equipment, lubricating moving parts, draining fuel or adding a fuel stabilizer, and storing the equipment in a dry, covered location. Disconnecting the battery and storing it separately is also advisable to prevent discharge. This limits corrosion and keeps components functional for longer.
Question 6: What is the procedure for identifying the correct replacement component when the original part number is unavailable?
When the original part number is unavailable, consult the equipment’s parts catalog or contact the manufacturer’s customer support. Providing the equipment’s model number, serial number, and a detailed description of the component can assist in identifying the correct replacement. Dimensional measurements can also be helpful.
These frequently asked questions provide essential insight concerning the appropriate management of mowing equipment components. Adherence to these guidelines promotes optimal equipment performance and extends the operational lifespan.
The subsequent segment transitions to a practical guide on troubleshooting common issues associated with the described mowing equipment.
Concluding Remarks on Mowing Equipment Components
This exploration has emphasized the importance of “buhler farm king finish mower parts” in maintaining operational efficiency and prolonging the lifespan of associated mowing equipment. Key areas of focus have included compatibility verification, adherence to OEM specifications, effective inventory management, timely component replacement, the use of durable materials, and ensuring optimal functional performance. Each element plays a critical role in minimizing downtime and maximizing equipment effectiveness.
The responsible procurement, maintenance, and utilization of these components represent a significant investment in the long-term viability of mowing operations. Neglecting these principles can lead to diminished performance, increased operating costs, and potential safety hazards. Continued vigilance and adherence to best practices are essential for realizing the full potential of this equipment.






